Hot Water System Failure Results in
3rd Degree Burns
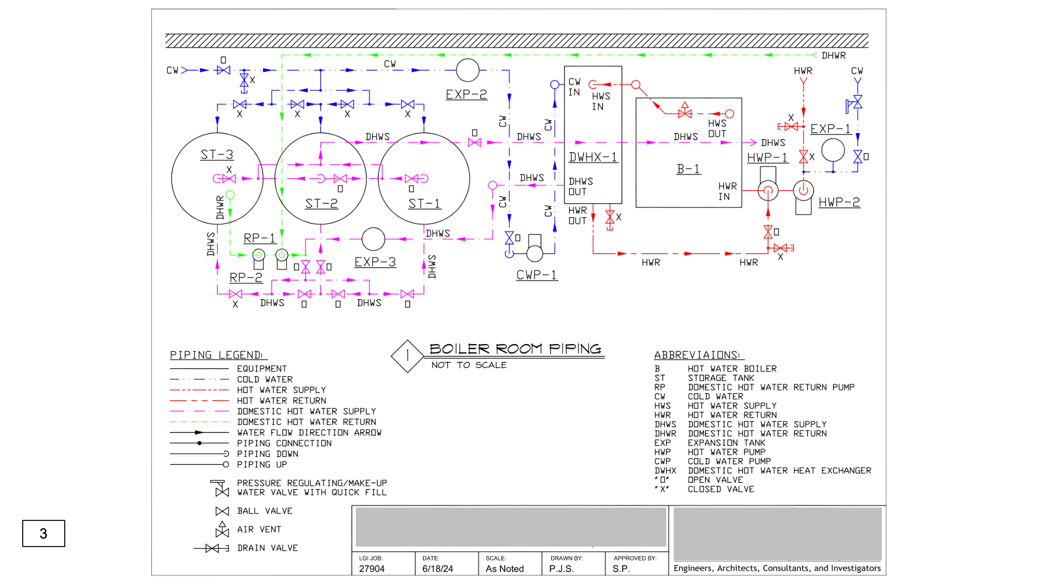
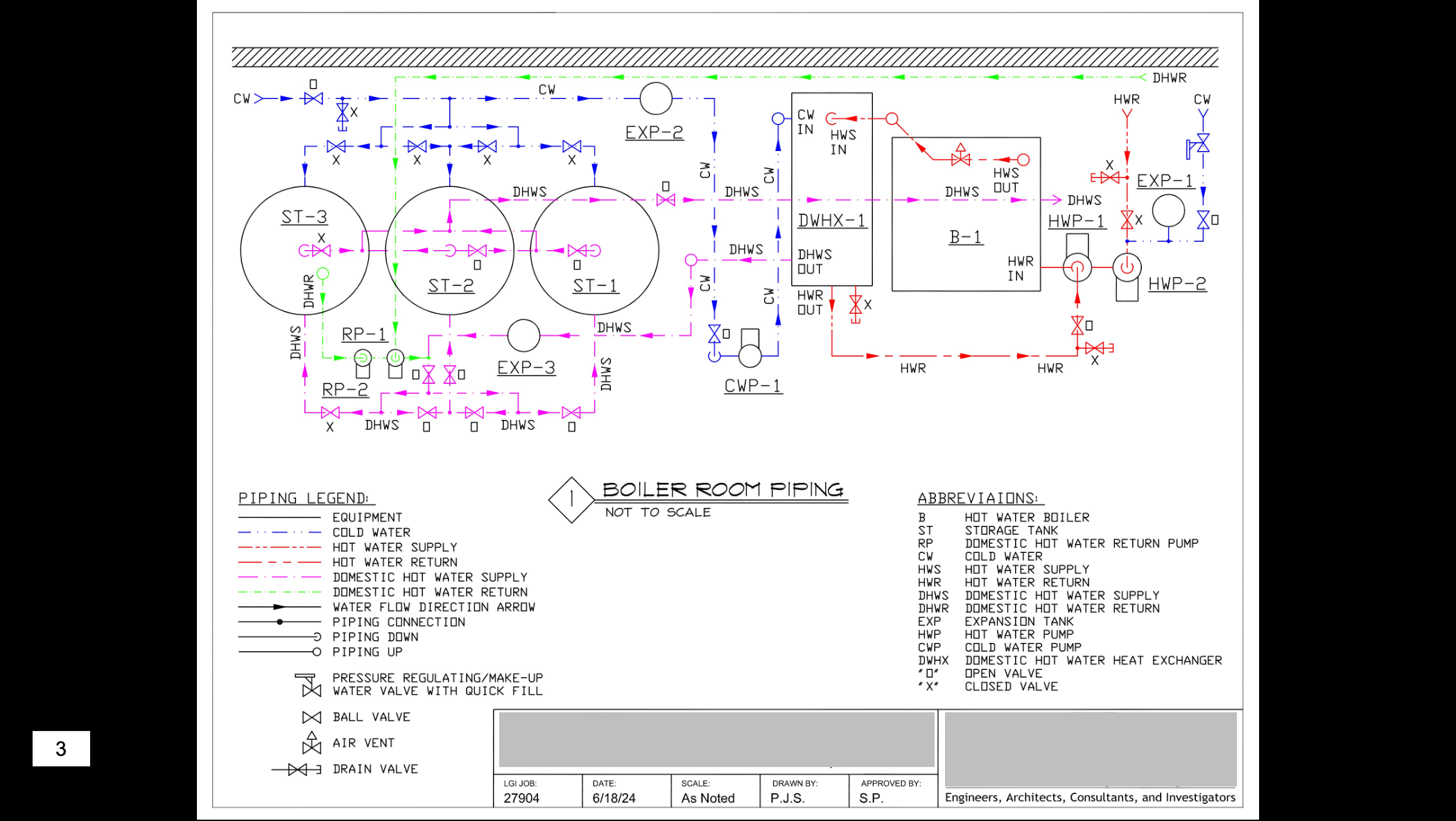
3D graphic diagram of a hot water supply vs. schematic diagram of a hot water supply.
Schematic diagram of subject hot water supply
When presenting technical information to a jury, the best strategy is to simplify
The client knew that a schematic diagram would not be easily understood by the jury. A 3D graphic depiction of the hot water system was created to illustrate two conditions:
Pre-plugged: The normal function of the system with one hot water storage tank closed off and the other two tanks flowing normally.
Plugged up: The system's impaired function, with one hot water storage tank closed off and the other two tanks plugged, created the conditions for the accident.
In the pre-plugged condition, with two storage tanks available to temper the hot water, the domestic water supply did not perform as designed, but still supplied tempered hot water through the supply piping, though irregularly.
In the plugged-up condition, the domestic hot water system failed to maintain hot water within the required temperature range. With the storage tanks plugged up and not in use, the hot water was not tempered, and the system flow was reversed, resulting in a guest being severely burned.
A critical issue in this case was the role of the heat exchanger. The heat exchanger supplied hot water to the storage tanks, which, when functioning properly, stored heated water for the domestic supply. The boiler water heated the cold water in the heat exchanger, but was never directly connected to the domestic hot water system. When the storage tanks were plugged, the heat exchanger still operated normally; however, the hot water it produced flowed directly into the hot water return instead of being tempered in the storage tanks and delivered through the supply, and created the accident conditions.
Client: Melick & Porter
Boston, MA
Contact Drake Exhibits for all of your Demonstrative Evidence needs
